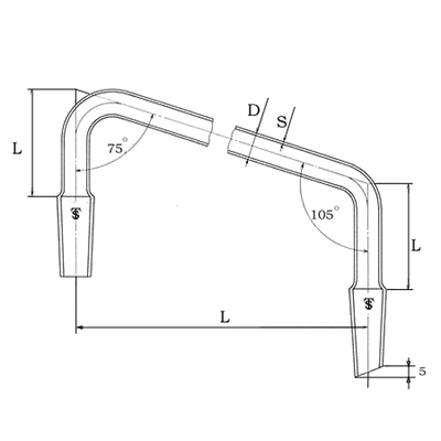
共通すり合わせコ字形連結管
単位mm
すり合わせ記号(@)
@19/38
幅 (L)
200±2
長さ(L)
50±2
外径(D)
15±0.5
厚さ(S)
2.0±0.2
備考:
@
共通すり合わせは、原則として表中のものを使用するが、
近似の規格寸法のものを用いてもよい。
A
共通すり合わせ記号@は、砂目又は焼付けを施す。
B
共通すり合わせ減コ字形連結管の呼び方は、
名称及び共通すり合わせ記号による。
例;
共通すり合わせこ字型連結管
@19/38×
@19/38