|
 |
|
|
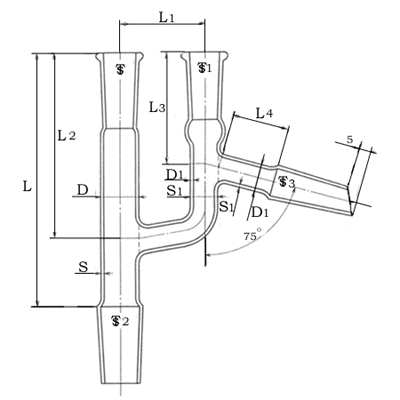
| 共通すり合わせK字形連結管 |
| 単位mm |
| すり合わせ記号(@) |
@15/35 |
@15/35 |
| すり合わせ記号(@1) |
@15/35 |
@19/38 |
| すり合わせ記号(@2) |
@15/35 |
@24/40 |
| すり合わせ記号(@3) |
@15/35 |
@19/38 |
| 主管 |
長さ(L) |
100±2 |
130±2 |
| 長さ(L2) |
80±1 |
95±2 |
| 外径(D) |
15±0.5 |
20±0.5 |
| 厚さ(S) |
2.0±0.2 |
20±0.2 |
| 幅 (L1)) |
45±1 |
45±1 |
| 側管 |
長さ(L3) |
60±1 |
60±1 |
| 外径(D1) |
15±0.5 |
15±0.5 |
| 厚さ(S1) |
2.0±0.2 |
2.0±0.2 |
| 枝管 |
長さ(L4) |
25±1 |
30±1 |
| 備考: |
@ |
共通すり合わせは、原則として表中のものを使用するが、 |
|
|
近似の規格寸法のものを用いてもよい。 |
|
A |
共通すり合わせ記号@は、砂目又は焼付けを施す。 |
|
B |
共通すり合わせK字型連結管の呼び方は、 |
|
|
名称及び共通すり合わせ記号による。 |
|
|
例; 共通すり合わせK字型連結管 |
|
|
@15/35×@19/38×@19/38×@24/40 |
|
|
|