|
 |
|
|
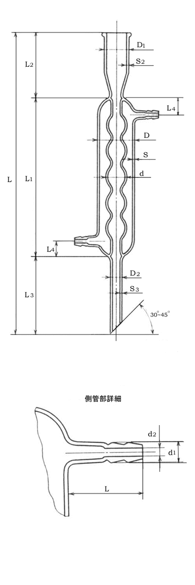
| 玉管冷却器 |
| 単価mm |
| 呼び寸法 |
200 |
300 |
400 |
500 |
| 外筒 |
長さ(L1) |
200±5 |
300±5 |
400±5 |
500±5 |
| 外径(D) |
30±1 |
35±1 |
40±1 |
45±1 |
| 厚さ(S) |
1.8±0.2 |
2.0±0.2 |
2.0±0.2 |
2.0±0.2 |
| 玉管 |
外径(d) |
20±2 |
25±2 |
30±2 |
35±2 |
| 玉数 |
4 |
5 |
6 |
7 |
| 上口 |
長さ(L2) |
80±5 |
90±5 |
100±5 |
110±5 |
| 外径(D1) |
18±0.6 |
20±0.6 |
22±0.6 |
25±0.6 |
| 厚さ(S2) |
1.6±0.2 |
1.6±0.2 |
1.6±0.2 |
2.0±0.2 |
| 脚 |
長さ(L3) |
100±5 |
110±5 |
120±5 |
130±5 |
| 外径(D2) |
10±0.5 |
12±0.5 |
15±0.6 |
15±0.6 |
| 厚さ(S3) |
1.6±0.2 |
1.6±0.2 |
1.6±0.2 |
1.6±0.2 |
| 側管 |
長さ(L) |
30±2 |
30±2 |
30±2 |
35±2 |
| 外径(d1) |
8±0.5 |
8±0.5 |
8±0.5 |
10±0.5 |
| 内径(d2) |
5±0.5 |
5±0.5 |
5±0.5 |
7±0.5 |
| 長さ(L4) |
12±2 |
15±2 |
20±2 |
20±2 |
| 全長(L) |
380±10 |
500±10 |
620±10 |
740±10 |
| 備考: |
@ |
外管に付く側管は、原則として互いに平行で、反対側になければならない。 |
|
A |
側管は、同一側に付けるか、又は屈曲させることができる。 |
|
B |
玉管冷却器の呼び方は、名称及び呼び寸法による。 |
|
|
例; 玉管冷却器 300mm |
|
|
|