|
 |
|
|
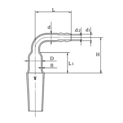
| 共通すり合わせ排気管 |
| 単位 mm |
| すり合わせ(@) |
胴 |
ゴム止管 |
| 長さ(L1) |
外径(D) |
厚さ(S) |
長さ
(L1) |
長さ
(L2) |
径
(d1) |
外径
(d2) |
内径
(d3) |
| @19/38 |
20 |
15±0.5 |
2±0.2 |
35±1 |
35±1 |
8±1 |
7 |
5 |
| 備考: |
@ |
共通すり合わせは、原則として表中のものを使用するが、 |
|
|
近似の規格寸法のものを使用してもよい。 |
|
A |
共通すり合わせ記号@は、砂目又は焼付けを施す。 |
|
B |
共通すり合わせ排気管の呼び方は、 |
|
|
名称及び共通すり合わせ記号による。 |
|
|
例; 共通すり合わせ排気管 @19/38 |
|
|
|