|
 |
|
|
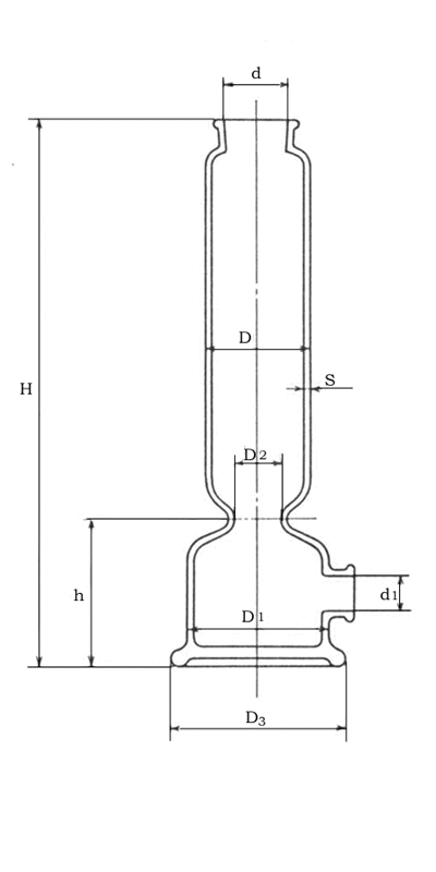
| ガス乾燥塔 |
| 単位 mm |
| 呼び寸法 |
240 |
300 |
360 |
| 高さ (H) |
240±24 |
300±30 |
360±30 |
| 高さ (h) |
65±6 |
75±7 |
90±9 |
| 上部外径(D) |
40±4 |
50±5 |
60±6 |
| 下部外径(D1) |
55±5 |
65±6 |
80±8 |
| しぼり内径(D2) |
20±2 |
24±3 |
30±3 |
| 台径 (D3) |
75±7 |
85±8 |
100±10 |
| 上口内径(d) |
30±3 |
35±4 |
40±4 |
| 下口内径(d1) |
18±2 |
20±2 |
24±3 |
| 厚さ (S) |
3±1 |
3±1 |
3±1 |
| 備考: |
@ |
ガス乾燥塔の呼び方は、名称及び呼び寸法による。 |
|
|
例; ガス乾燥塔 240mm |
|
|
|