|
 |
|
|
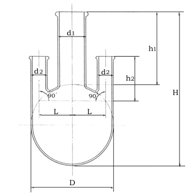
| 三口丸底フラスコ |
| 単位 mm |
| 呼び容量 (ml) |
50 |
100 |
200 |
300 |
500 |
1000 |
2000 |
3000 |
| 玉外径 (D) |
53±1 |
65±1 |
80±1 |
93±3 |
108±3 |
135±3 |
170±3 |
200±3 |
| 高さ (H) |
100±5 |
125±5 |
150±5 |
175±5 |
200±5 |
235±5 |
285±5 |
340±5 |
| 中心幅(L) |
22 |
28 |
32 |
37 |
43 |
55 |
70 |
80 |
| 主管 |
外径(d1) |
20±1 |
28±1 |
31±1 |
36±2 |
40±2 |
46±2 |
58±2 |
60±2 |
| 高さ(h1) |
47 |
60 |
70 |
82 |
92 |
100 |
110 |
140 |
| 側管 |
外径(d2) |
14±1 |
14±1 |
17±1 |
20±1 |
20±1 |
25±1 |
28±1 |
32±2 |
| 高さ(h2) |
30 |
36 |
41 |
45 |
53 |
58 |
72 |
85 |
| ゴム栓(No) |
主管 |
4 |
8 |
10 |
12 |
14 |
16 |
20 |
21 |
| 側管 |
1 |
1 |
2 |
4 |
4 |
7 |
8 |
10 |
|
| 備考: |
@ |
口形状はリップ付とする。 |
|
A |
容量表示、メモ用スペースは、砂目又は焼き付けを施す。 |
|
B |
側管は、主管と平行ではなく角度を付けてもよい。 |
|
C |
三口丸底フラスコの呼び方は、名称及び呼び容量による。 |
|
|
例; 三口丸底フラスコ 500ml |
|
|
|