|
 |
|
|
| デシケーター |
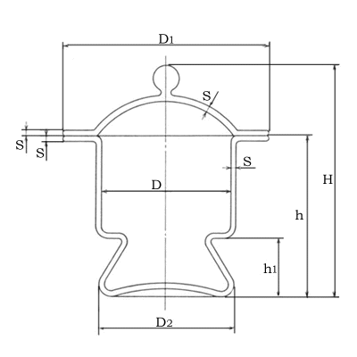
| 単位 mm |
| 呼び寸法 |
120 |
150 |
180 |
210 |
240 |
300 |
| 胴内径 (D) |
120 |
150 |
180 |
210 |
240 |
300 |
| 高さ |
(H) |
210±10 |
250±10 |
280±10 |
340±15 |
380±20 |
470±30 |
| (h) |
130±10 |
160±10 |
190±10 |
230±15 |
260±15 |
330±20 |
| (h1) |
50±3 |
60±4 |
70±5 |
80±5 |
90±5 |
100±7 |
| 蓋の外径(D1) |
180±5 |
225±5 |
255±5 |
300±5 |
330±5 |
410±10 |
| 底の径(D2) |
110±5 |
140±5 |
170±10 |
210±10 |
230±10 |
290±10 |
| 厚さ(S) |
5±1 |
5±1 |
6±1 |
6±1 |
6±1 |
7±1 |
| 質量(g) |
1500 |
2500 |
4000 |
5000 |
6500 |
11000 |
| 備考: |
@ |
蓋のすり合わせは、グリース塗布時に、気密でなければならない。 |
|
A |
底は、わずかにわん曲させる。 |
|
B |
デシケーターの呼び方は、名称及び呼び寸法による。 |
|
|
例; デシケーター 120 |
|
|
|