|
 |
|
|
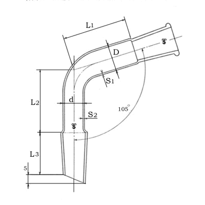
| 共通すり合せ両端すり合せアダプター |
| 単位:mm |
| 呼び記号 |
@15/25 |
@19/38 |
| めす部 |
外径 (D) |
18±0.6 |
22±0.6 |
| 長さ (L1) |
40±2 |
40±2 |
| 厚さ (S1) |
1.6±0.2 |
2.0±0.2 |
| おす部 |
外径 (D1) |
15±0.5 |
15±.0.5 |
| 長さ (L2) |
40±2 |
45±2 |
| すり長さ (L3) |
25±1 |
38±1 |
| 厚さ (S2) |
1.6±0.2 |
1.6±0.2 |
| 備考: |
@ |
共通すり合せは、原則として表中のものをしようするが、 |
|
|
近似のすり合せを使用してもよい。 |
|
A |
共通すり合せ記号@は、砂目又は焼付を施す。 |
|
B |
左記アダプターの呼び方は、名称及び呼び記号による。 |
|
|
例;共通すり合せ両端すり合せアダプター @19/38 |
|
|
|